汽車制造
產品概述
product description
查看大圖
HSR-SR5700工業機器人
scara機器人系列HSR-SR5700具有覆蓋范圍廣、高精度、高性能、多款負載檔位,負載能力覆蓋2KG-5KG。可滿足定制化需求,廣泛被應用于電子產品工業、藥品工業和食品工業等領域。
使用說明下載產品參數
Product parameters| 工業機器人 | HSR-SR5700 | |
| 自由度 | 4 | |
| 最大負載/額定負載 | 5Kg/2Kg | |
| 最大工作半徑 | 700mm | |
| 重復定位精度 | ±0.02mm | |
| 運動范圍 | J1 | ±132° |
| J2 | ±150° | |
| J3 | 0/-200mm | |
| J4 | ±360° | |
| 額定速度 | J1 | 225°/s,3.92rad/s |
| J2 | 420°/s,7.32rad/s | |
| J3 | 666mm/s | |
| J4 | 1400°/s,24.42rad/s | |
| 最高速度 | J1 | 335°/s,5.84rad/s |
| J2 | 600°/s,10.46rad/s | |
| J3 | 1111mm/s | |
| J4 | 2000°/s,34.88rad/s | |
| 容許慣性矩 | J4 | 0.12kg㎡/0.01kg㎡ |
| 容許扭矩 | J4 | 4.23Nm |
| 適用環境 | 溫度 | 0~45° |
| 濕度 | 20%~80% | |
| 其他 | 避免與易燃易爆或腐蝕性氣體、液體接觸,遠離電子噪聲源(等離子) | |
| 示教器線纜長度 | 8米 | |
| 本體-柜體連接線長度 | 3米 | |
| I/O參數 | 數字量:32位輸入(NPN ? PNP均可)31位輸出(NPN) | |
| 本體預留信號線 | 12位(航空插頭連接) | |
| 預留氣路 | 3*Φ6 | |
| 電源容量 | 0.8kVA | |
| 額定功率 | 0.62kW | |
| 額定電壓 | 單相AC220V ? 50HZ | |
| 額定電流 | 3.2A | |
| 防護等級 | IP54 | |
| 安裝方式 | 地面安裝、桌面安裝 | |
| 本體重量 | 22.5kg | |
| 控制柜防護等級 | IP20 | |
| 控制柜尺寸 | 319(寬)×280(厚)×145(高)-可立可臥 | |
| 控制柜重量 | 10.65KG | |
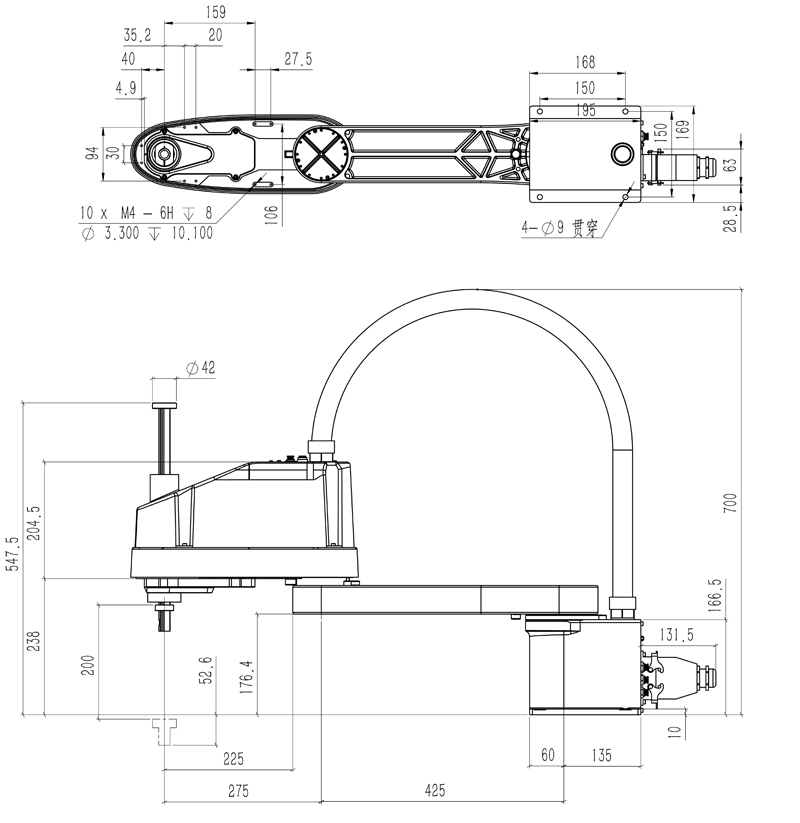
產品尺寸
Product Size

